Suite Ă la demande de
francopis7730, dans ce topic
Demande de documentation pour travaux de fin d'études...Donc voila, J'ai pris une version phase2 AM99.
A noter que j'ai perdu pas mal au niveau de la qualité des images afin qu'elle rentre sur le forum.
Chez PSA la fonction éléctrique de la suspension variable est la fonction 77.
C'est a dire que tous les composants (capteur, actionneurs, bouton etc...) relatifs Ă la suspension commence par 77.
7700: CAPTEUR ANGLE VOLANT
7705: CAPTEUR HAUTEUR DE CAISSE ARRIERE CENTRAL
7706: MANOCONTACT DE FREIN
7707: CAPTEUR POSITION PEDALE ACCELERATEUR
7710: COMMUTATEUR SUSPENSION
7715: CALCULATEUR SUSPENSION
7720: ACTIONNEUR AMORTISSEUR AVANT GAUCHE
7725: ACTIONNEUR AMORTISSEUR AVANT DROIT
7730: ACTIONNEUR AMORTISSEUR ARRIERE GAUCHE
7735: ACTIONNEUR AMORTISSEUR ARRIERE DROIT
1620: CAPTEUR VITESSE VEHICULE
1625: MODULE INTERFACE VITESSE VEHICULE
C001: CONNECTEUR DIAGNOSTIC
CA00: CONTACTEUR ANTIVOL
PSF0: BOITE FUSIBLES HABITACLE
BB00: BATTERIE
0004: COMBINE (compte-tour)
IC..: Interconnexion entre 2 faisceaux
E....: Epissure ( C'est comme un noeud )
M....: Masse
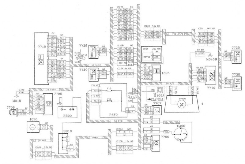
Voila le schéma de fonctionnement:

La suite c'est le schéma de cablùge, on voit ici plus en détails les connections physiques du véhicule.
Avec les différents faisceaux etc...
Sur chaque composant, tu as la description de son connecteur, ex: 3V NR, c'est un connecteur 3Voies(broches) Noir.
10PR: faisceau principal
20MOT: faisceau moteur
32SUSP: faisceau suspension
50P/B: faisceau planche de bord
71D AR/D: faisceau arriere droit
80AR/SP: faisceau arriere sous plancher
77-CAB.jpg [ 96.3 Kio | Vu 31353 fois ]
Ensuite, on a la localisations des composants:
Faisceau suspension:

Faisceau planche de bord:

Faisceau planche de bord (suite):

Faisceau arriere sous plancher:

si vous avez des questions, faut pas hésiter.
Notamment sur la fonction de chaque fils ou sur le fonctionnement général.
Je pense que cela pourra aussi t'intéresser:
Ce dispositif à pilotage électronique permet d'adapter la suspension aux conditions de conduite du moment afin d'améliorer la tenue de route et le confort des passagers .
Des actionneurs intégrés aux amortisseurs et commandés par un calculateur, modifient le diagramme d'amortissement en fonction des informations transmises par les différents capteurs .
Dans certaines conditions (route en mauvais état, virages serrés, décélération, accélération, le calculateur commande automatiquement le durcissement de la suspension (passage de la position CONFORT à la position SPORT) .
Lorsque les conditions de roulage redeviennent normales, le calculateur commande le retour Ă la position CONFORT .
Le calculateur intĂšgre deux lois automatiques :
- Interrupteur de suspension relùché , le calculateur privilégie la fonction CONFORT
- Interrupteur de suspension actionnĂ© , le calculateur privilĂ©gie la position SPORT, Ă l'arrĂȘt, la suspension est en position Confort en roulage, en fonction des infos transmises par les diffĂ©rents capteurs, le calculateur commande plus facilement les actionneurs pour une suspension en position SPORT
Le calculateur comporte une mémoire permanente qui mémorise les défauts, que le contact soit coupé ou que les connecteurs du calculateur soient débranchés .
Si un défaut n'est plus présent, il est effacé de la mémoire aprÚs 50 mises sous tension du calculateur .
1. Logique de mise en action voyants 
(1) Voyant V7700 .
(2) Voyant 7710 .
1.1. Fonctionnement normal DÚs la mise du contact, les voyants V7700 et 7710 s'allument pendant 3 secondes puis s'éteignent .
Durant ce test, le calculateur contrÎle ses circuits internes, ainsi que les éléments constituant le dispositif .
Lors d'une action sur l'interrupteur de suspension, le voyant 7710 s'allume (position SPORT) .
1.2. Détection des défauts Lorsqu'un ou plusieurs défauts sont détectés durant la mise du contact et en marche normale, trois cas sont possibles .
Défectuosité d'un capteur ou d'un moteur d'amortisseur :
- Le voyant V7700 s'allume
- Le voyant 7710 clignote en permanence
NOTA : Les voyants sont allumés jusqu'à la coupure du contact .
à la mise sous contact suivante, les voyants ne se rallumeront pas, mais le défaut sera conservé en mémoire . Défectuosité du circuit du témoin V7700 :
- Le voyant 7710 clignote pendant 15 secondes
- DĂšs la mise du contact
- Immédiatement aprÚs l'apparition du défaut
Défectuosité du calculateur ou de ses circuits d'alimentation internes :
- Les voyants V7700 et 7710 s'allument
NOTA : Une défectuosité de la mémoire permanente du calculateur, une tension batterie trop élevée, les connecteurs sur calculateur débranchés, une coupure d'un ou des fils d'alimentation calculateur n'entraßnent pas l'allumage des voyants .Voila ! Dit moi si tu veux quelque chose en particulier, j'ai d'autres choses sur la suspension.
Hop la !:

Tu nous diras ta note

Voila voila.
A+