ok merci panamien
je vais voir tout ca demain
-- Edit du Sam 25 Juil 2009, 22:31:35 --
PAUL-A8 a écrit:
Tu a déjà pris des photos un mois avant la date?

desolez pour la date , a vrai dire j avais meme pas vu
-- Edit du Sam 25 Juil 2009, 22:39:43 --
panamien a écrit:
Non, pas pour le moment. Après oui, si tu parviens à faire fonctionner ton nouveau kit avec ce que je propose, tu récupèreras sur ce boîtier de tempo l'info "porte ouverte" (juste 1 fil).
en tout cas je tiens a te remercier , meme si j en ai pas encore finis .
ces cool d etre epaulez. meme si certain points sont incertain
merci

-- Edit du Sam 25 Juil 2009, 23:54:00 --
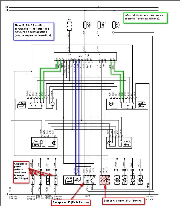
panamien a écrit:
Le boîtier d'alarme (le gros Texton) ne sera pas à rebrancher puisque cela t'apporte des ennuis.
Le problème est que tu as un boîtier de centralisation qui peut provoquer la condamnation classique mais aussi la supercondamnation.
Le kit que tu as acheté doit envoyer une impulsion négative au boitier de centralisation d'origine quand tu actionnes sa télécommande. Selon moi, il vaut mieux passer par les fils qui sont en rapport avec les loquets et non pas par ceux utilisés par le récepteur Texton d'origine. Comme cela, tu n'as aucune chance d'actionner la supercondamnation (ton kit n'est pas fait pour cela) et d'avoir des problèmes.
Maintenant, tu as beaucoup d'infos et tu connais tous les éléments. Je n'ose pas aller plus loin car tu es débutant et car je pourrais me tromper dans les indications que je te donne. Un court-circuit pourrait arriver, ton boitier de supercondamnation pourrait cramer.
Il faut que tu attendes l'opinion de Alc ou que tu consultes un électricien, qui prendra des précautions ou testera au multimètre avant d'agir.
Voici pour info, sur cette image issue du forum où ton kit était monté sur boitier gris classique, comment je ferais. Je ne suis pas responsable de ce qui va arriver si tu m'écoutes. Il faudrait demander à Alc ses schémas et vérifier si ce que j'avance est bon. Je t'aurai prévenu, l'idéal est de présenter tout ce que tu as récolté ici à un électricien auto car tu mélanges malheureusement parfois certaines choses (je fais pareil dans un paquet de domaines, ce n'est pas grave mais il faut que tu en sois conscient).
peut tu m indiquez ou sont situez les fiches 1b et les autres sur la supercondamnation ?