Forum  M’enregistrer
* *

Nous sommes le Lun 15 Déc 2025, 22:25:43

Heures au format UTC + 1 heure




Poster un nouveau sujet Répondre au sujet  [ 6 messages ] 
Auteur Message
 Sujet du message: [CENTRALISATION] Montage d'un kit non d'origine
MessagePosté: Ven 30 Oct 2009, 16:10:48 
Hors ligne
Nouveau
Nouveau
Avatar de l’utilisateur

Inscription: Ven 30 Oct 2009, 14:52:55
Messages: 4
Roule en: 605 TD 2.1l
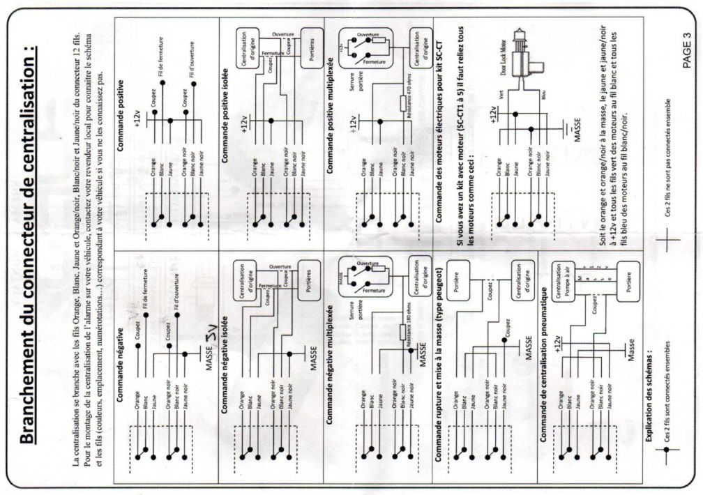
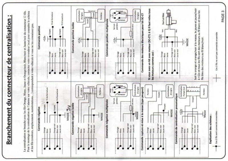
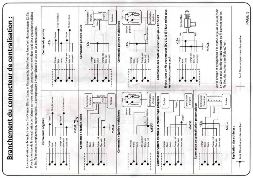
bonjour jai acheter acheter un kit mais jai vraiment besoin de votre aide je ne sais pas sur quelle boiter et quelle fils repiquer je vous envoie les photo de mon kit et de mon branchement sous le tableau de bord je vous remercie d'avance de votre aide

voila les photos


HPIM1064.JPG
HPIM1064.JPG [ 116.43 Kio | Vu 20516 fois ]

HPIM1063.JPG
HPIM1063.JPG [ 103.74 Kio | Vu 20516 fois ]

img004.jpg
img004.jpg [ 139.39 Kio | Vu 20521 fois ]

img002.jpg
img002.jpg [ 71.39 Kio | Vu 20613 fois ]

HPIM1064.JPG
HPIM1064.JPG [ 116.43 Kio | Vu 20517 fois ]

HPIM1063.JPG
HPIM1063.JPG [ 103.74 Kio | Vu 20517 fois ]

img004.jpg
img004.jpg [ 139.39 Kio | Vu 20519 fois ]


_________________
605 diesel 2.1 annee 94 phase 2
Haut
 Profil  
 

 Annonces du forum Peugeot 605

 Sujet du message: Re: kit centralisation
MessagePosté: Ven 30 Oct 2009, 18:51:03 
Hors ligne
Modérateur
Modérateur
Avatar de l’utilisateur

Inscription: Dim 15 Juil 2007, 23:00:00
Messages: 1153
Localisation: banlieue Paris Est
Roule en: 605 TCT 2l
ludpe a écrit:
bonjour jai acheter acheté un kit mais jai vraiment besoin de votre aide je ne sais pas sur quelle boiter et quelle quels fils repiquer je vous envoie les photo de mon kit et de mon branchement sous le tableau de bord je vous remercie d'avance de votre aide.

Bonsoir.
1) Qu'est-ce qui motive l'achat du kit ? Car :
- La voiture est équipée d'origine d'un dispositif de condamnation centralisée (boîtier gris au-dessus du boîtier TEXTON).
- La voiture est équipée d'origine d'un dispositif de télécommande Haute Fréquence (Récepteur = boîtier TEXTON, émetteur(s) dans la (les) clé(s) principale(s).
2) Lire absolument les GUIDE(s) qui traitent de la condamnation centralisée et de la télécommande H.F. faciles à trouver avec la fonction RECHERCHE ou en cherchant directement dans "Nos Tutoriaux".

_________________
605 SLI - 2L 8 soupapes - Phase 1 (6BRFZ8) 18.06.1993 215 000 km rouge alhambra modèle de base.
605 SRTI - 2L Turbo - Phase 2 (6BRGX2) 26.09.1996 301 000 km vert sherwood clim semi-auto cuir ADC radio 6030. Mod exp Italie base Suisse (Equivalent EXECUTIVE)


Haut
 Profil  
 
 Sujet du message: Re: kit centralisation
MessagePosté: Ven 30 Oct 2009, 21:58:07 
Hors ligne
Nouveau
Nouveau
Avatar de l’utilisateur

Inscription: Ven 30 Oct 2009, 14:52:55
Messages: 4
Roule en: 605 TD 2.1l
bonsoir alc merci de me repondre aussi vite en faite ma clef a casser ainsi que mon bouton don c sa me coute moin chere d'acheter un kit mais je suis nul en concernant les centralisation ses pour cela que je demande votre aide je penser que la centralisation etait le boitier texton voila deja une bonne chose a savoir

_________________
605 diesel 2.1 annee 94 phase 2


Haut
 Profil  
 
 Sujet du message: Re: kit centralisation
MessagePosté: Ven 30 Oct 2009, 22:03:09 
Hors ligne
Passionné
Passionné
Avatar de l’utilisateur

Inscription: Sam 03 Mar 2007, 0:00:00
Messages: 13745
Comment ça moins cher un kit de centralisation plutôt qu'une réparation de clé :???:

Tu devrais t'orienter vers ce réparateur
http://www.telecommandier.com/


Haut
 Profil  
 
 Sujet du message: Re: kit centralisation
MessagePosté: Ven 30 Oct 2009, 22:57:53 
Hors ligne
Nouveau
Nouveau
Avatar de l’utilisateur

Inscription: Ven 30 Oct 2009, 14:52:55
Messages: 4
Roule en: 605 TD 2.1l
merci grignou tres interessant je ne connaissait pas se sera plus simple que tout demonter je n'est plus cas revendre mon kit merci vous m'avais beaucoup aider cordialement ludpe

_________________
605 diesel 2.1 annee 94 phase 2


Haut
 Profil  
 
 Sujet du message: Re: kit centralisation
MessagePosté: Sam 31 Oct 2009, 1:18:07 
Hors ligne
Passionné
Passionné
Avatar de l’utilisateur

Inscription: Sam 03 Mar 2007, 0:00:00
Messages: 13745
Tu as des infos sur ce kit de centralisation, cela pourrait m'intéresser pour un véhicule qui en est dépourvu à l'origine justement.


Haut
 Profil  
 
Afficher les messages postés depuis:  Trier par  
Poster un nouveau sujet Répondre au sujet  [ 6 messages ] 

Heures au format UTC + 1 heure


Qui est en ligne

Utilisateurs parcourant ce forum: Aucun utilisateur enregistré et 0 invités


Vous ne pouvez pas poster de nouveaux sujets
Vous ne pouvez pas répondre aux sujets
Vous ne pouvez pas éditer vos messages
Vous ne pouvez pas supprimer vos messages
Vous ne pouvez pas joindre des fichiers

Rechercher:
Aller à:  


Tous les messages postés sur ce forum sont sous la responsabilité des inscrits qui les ont écrits,
non du webmaster-administrateur ou des modérateurs-organisateurs, à l'exception de leurs propres messages.

Réalisé par : Franck - Copie même partielle interdite ©

Powered by phpBB © 2023