Forum  M’enregistrer
* *

Nous sommes le Mar 14 Oct 2025, 6:04:53

Heures au format UTC + 1 heure




Poster un nouveau sujet RĂ©pondre au sujet  [ 23 messages ]  Aller Ă  la page 1, 2  Suivante
Auteur Message
 Sujet du message: Silent-bloc hydroĂ©lastique (anti-hachis) 2.1TD phase 1
MessagePostĂ©: Mer 04 Mar 2009, 10:01:32 
Hors ligne
Régulier
Régulier
Avatar de l’utilisateur

Inscription: Ven 30 Mar 2007, 23:00:00
Messages: 472
Localisation: 21
Salut,
pour le système anti-hachis, il y a cette fiche sur le site de monroe. Ca aide un petit peu à démonter...

système anti hachis sur jambe de force.jpg
système anti hachis sur jambe de force.jpg [ 260.02 Kio | Vu 10034 fois ]



Edit Gilles :Titre renommé, anti-hachis n'est pas le bon terme, donc celui adopté est issu de la RTA

_________________
Jeff
Mercedes W205 C200 100000 km
407 Exécutive 163cv 2006 200000 km : vendue joint culasse HS
605 SRti 145CV avril 1993 2285000 km Vert sorento M4RM. A la casse...snif...
605 SRi 130CV nov.1989 287500 km Rouge alhambra (M4JF),A la casse...snif...moteur HS
505 GTI 130CV déc.1985 ph.II 299000 km : vendue !


Haut
 Profil  
 

 Annonces du forum Peugeot 605

 Sujet du message: gonflage antihachis
MessagePostĂ©: Mer 30 Sep 2009, 11:42:08 
Hors ligne
Nouveau
Nouveau
Avatar de l’utilisateur

Inscription: Mar 19 Mai 2009, 13:08:59
Messages: 33
Roule en: 605 TD 2.1l
bonjour pour ceux qui serait interessés pour faire regonfler leurs systeme antihachis , voila une adresse , c est le seul garage qui possede l outil dans la région de nancy , ça m as couté 30 euros et la difference ce sent tout de suite , meme le concessionnaire principal ne l as pas !!!
alors c est le garage du 8 mai
29 rue christian moench
54270 essey les nancy
tel 0383295897
si je n ai pas posté au bon endroit désolé les modos bonne journée a tous

_________________
605 srdt 2,1 td 1990 limited edition, 232000 km


Haut
 Profil  
 
 Sujet du message: Re: gonflage antihachis
MessagePostĂ©: Jeu 01 Oct 2009, 8:44:27 
Hors ligne
Nouveau
Nouveau
Avatar de l’utilisateur

Inscription: Lun 27 Juil 2009, 8:53:42
Messages: 58
Roule en: 605 TD 2.1l
le regonfler pour 30 euros, Je veux bien mais c'est Ă  700 bornes de chez moi
Sinon je veux bien les info pour le regonfler voir comment je peux m'arranger. Ou une adresse proche de Poitiers...
Chez Peugeot ils le font pas par contre il le change ... 1700€....

_________________
Peugeot 605 svdt 2.1 (XUD11ATE) - Décembre 1993 - 295000KM - Toutes Options sauf toit ouvrant et régulateur de vitesse...
Conso moyenne entre 5.5 et 6 litres au 100.


Haut
 Profil  
 
 Sujet du message: Re: gonflage antihachis
MessagePostĂ©: Jeu 01 Oct 2009, 12:15:11 
Hors ligne
Nouveau
Nouveau
Avatar de l’utilisateur

Inscription: Mar 19 Mai 2009, 13:08:59
Messages: 33
Roule en: 605 TD 2.1l
Spok a écrit:
le regonfler pour 30 euros, Je veux bien mais c'est Ă  700 bornes de chez moi
Sinon je veux bien les info pour le regonfler voir comment je peux m'arranger. Ou une adresse proche de Poitiers...
Chez Peugeot ils le font pas par contre il le change ... 1700€....

salut si tu regarde sur un site mister auto je crois ou oscaro , ils sont a 125 euros piece (chez peugeot 260 euros piece !) sinon l appareil est tres simple , il faut un gros tuyau d arrosage blindé de 90cm avec un raccord pour le compresseur , au milieu une vanne quart de tour et en bout un tuyau plus petit avec un embout ressemblant a celui qui sert pour gonfler les pneus mais en plus petit , qui se branche sur les embouts de remplissage , apres il faut envoyer ça (30cl environ voir plus )en jouant avec la vanne quart de tour , pour terminer j ai appelé tous les agents peugeot du coin avant d avoir trouvé , tu devrair essayer (surtout chez les anciens garages) pour finir c est dingue tu vois la voiture monter , et la difference se fait vraiment sentir

-- Edit du Jeu 01 Oct 2009, 13:15:11 --

j ai oublié!, le tuyau d arrosage blindé doit faire au moins 22 de diametre voilou

_________________
605 srdt 2,1 td 1990 limited edition, 232000 km


Haut
 Profil  
 
 Sujet du message: Re: gonflage antihachis
MessagePostĂ©: Jeu 01 Oct 2009, 13:45:19 
Hors ligne
Nouveau
Nouveau
Avatar de l’utilisateur

Inscription: Lun 27 Juil 2009, 8:53:42
Messages: 58
Roule en: 605 TD 2.1l
Pour le dosage j'ai les deux doc avec les distance entre les coupelles mais je me dit surtout que pour 30 € en garage sa vaut pas le cout de m'embêter à le faire xD
En tout cas merci ça fait longtemps que je projette de le faire totalement mais j'avais jamais vu des avis aussi encouragent la dessus ^^
Je vais chercher dans les garages je vous direz ce qu'il en est, et mon ressentit sur la chose si je trouve ^^.
Merci :-D :-D

_________________
Peugeot 605 svdt 2.1 (XUD11ATE) - Décembre 1993 - 295000KM - Toutes Options sauf toit ouvrant et régulateur de vitesse...
Conso moyenne entre 5.5 et 6 litres au 100.


Haut
 Profil  
 
 Sujet du message: Re: gonflage antihachis
MessagePostĂ©: Jeu 01 Oct 2009, 21:47:24 
Hors ligne
Passionné
Passionné
Avatar de l’utilisateur

Inscription: Sam 03 Mar 2007, 0:00:00
Messages: 14942
Sporting ton système de gonflage, remplissage ou je sais pas quoi, il faudrait peut-être préciser par quoi, à une époque, il était dit (peut-être 205forever :dents: ) par du LDR

Pour en revenir au silent-bloc moteur anti-hachis, l'idée ne serait elle pas mieux de les remplacer par des classiques, il me semble que certains ont effectués cette opération.


Haut
 Profil  
 
 Sujet du message: Re: gonflage antihachis
MessagePostĂ©: Jeu 01 Oct 2009, 22:36:57 
Hors ligne
Nouveau
Nouveau
Avatar de l’utilisateur

Inscription: Mar 19 Mai 2009, 13:08:59
Messages: 33
Roule en: 605 TD 2.1l
meme a notre épôque ça change pas toujours du ldr , j ai peut etre mal expliqué a quoi ressemblait l outil , tant pis j avais juste donné une adresse utile pour l antihachis

_________________
605 srdt 2,1 td 1990 limited edition, 232000 km


Haut
 Profil  
 
 Sujet du message: Re: Silent-bloc hydroĂ©lastique
MessagePostĂ©: Ven 02 Oct 2009, 8:37:57 
Hors ligne
Nouveau
Nouveau
Avatar de l’utilisateur

Inscription: Lun 27 Juil 2009, 8:53:42
Messages: 58
Roule en: 605 TD 2.1l
http://peugeot605.aceboard.fr/5364-585-75726-0-suspention-hydropiloter.htm
ca ?

Perso quitte à démonter les silent bloc pour les changer je préfère réinstaller ceux d'origine mais ce n'est que mon point de vue :???:

_________________
Peugeot 605 svdt 2.1 (XUD11ATE) - Décembre 1993 - 295000KM - Toutes Options sauf toit ouvrant et régulateur de vitesse...
Conso moyenne entre 5.5 et 6 litres au 100.


Haut
 Profil  
 
 Sujet du message: Re: Silent-bloc hydroĂ©lastique
MessagePostĂ©: Ven 02 Oct 2009, 9:45:18 
Hors ligne
Passionné
Passionné
Avatar de l’utilisateur

Inscription: Sam 03 Mar 2007, 0:00:00
Messages: 14942
:-D Belle recherche SPOK

D'où l'intérêt de topics bien nommés pour les retrouver, et pour celui-ci ce n'est pas le cas, puisque il y a les mots "suspensions" et "hydropilotés" ce qui n'a rien à voir avec "supports moteurs" ou "silent-bloc"

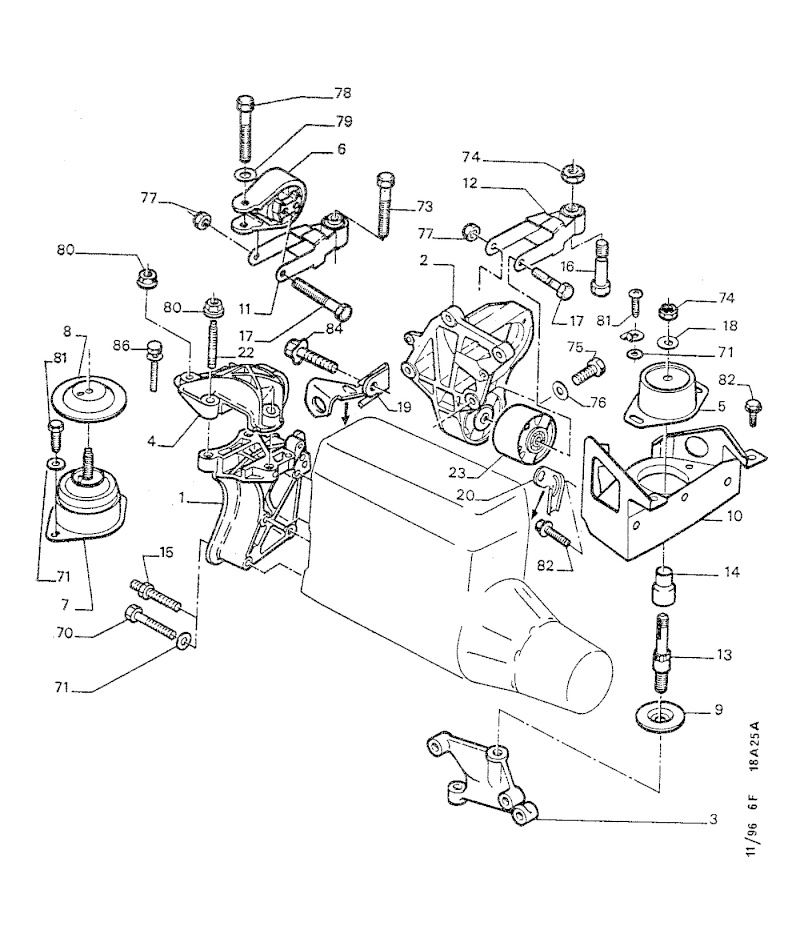
j'importe les schémas :mrgreen:

hydroelastic.jpg
hydroelastic.jpg [ 39.74 Kio | Vu 9690 fois ]


hydroelastic1.jpg
hydroelastic1.jpg [ 39.16 Kio | Vu 9689 fois ]


Ajout de 2 docs supplémentaires trouvé sur ce forum, et qu'un certain DAV a l'air de venir pomper pas mal d'infos, schémas, etc.... ici pour les mettre la-bas, donc je ne me gêne pas, je fais la même chose
http://www.techniconnexion.com/trains-r ... -t6243.htm

Avec support anti hachi
6f18a310.jpg
6f18a310.jpg [ 158.82 Kio | Vu 9497 fois ]


Sans support anti hachi
6f18a210.jpg
6f18a210.jpg [ 151.01 Kio | Vu 9497 fois ]


Haut
 Profil  
 
 Sujet du message: Re: gonflage antihachis
MessagePostĂ©: Sam 10 Oct 2009, 10:36:14 
Hors ligne
Nouveau
Nouveau
Avatar de l’utilisateur

Inscription: Mar 19 Mai 2009, 13:08:59
Messages: 33
Roule en: 605 TD 2.1l
grignou a écrit:
sporting a écrit:
meme a notre épôque ça change pas toujours du ldr , j ai peut etre mal expliqué a quoi ressemblait l outil , tant pis j avais juste donné une adresse utile pour l antihachis


Rien compris :shock: tu peux ĂŞtre plus explicite :shock:

désolé il faut toujours mettre du liquide de refroidissement ldr , et pas autre chose huile etc etc......ça n as pas changé a notre époque depuis la sortie du systeme anti hachis

_________________
605 srdt 2,1 td 1990 limited edition, 232000 km


Haut
 Profil  
 
 Sujet du message: Re: Silent-bloc hydroĂ©lastique
MessagePostĂ©: Sam 10 Oct 2009, 11:09:20 
Hors ligne
Passionné
Passionné
Avatar de l’utilisateur

Inscription: Sam 03 Mar 2007, 0:00:00
Messages: 14942
tu as une doc technique précise de tes dires, car je ne vois ça nul part, que ce soit sur les diverses choses publiées dans ce topic ou sur la RTA


Haut
 Profil  
 
 Sujet du message: Re: Silent-bloc hydroĂ©lastique
MessagePostĂ©: Ven 16 Oct 2009, 12:44:44 
Hors ligne
Nouveau
Nouveau
Avatar de l’utilisateur

Inscription: Mar 19 Mai 2009, 13:08:59
Messages: 33
Roule en: 605 TD 2.1l
source peugeot , c est du ldr a cause du climat en hiver , pour ne pas qu il gele de plus il est rentré sous pression , d ou le terme hydro (eau) elastique !! sinon ça serait oléo élastique pour de l huile style sphere, je n ai aucune doc désolé , mais c est quand meme le concessuionnaire qui donne le ldr pour liquide de remplissage

_________________
605 srdt 2,1 td 1990 limited edition, 232000 km


Haut
 Profil  
 
 Sujet du message: Re: Silent-bloc hydroĂ©lastique
MessagePostĂ©: Ven 16 Oct 2009, 22:03:28 
Hors ligne
Passionné
Passionné
Avatar de l’utilisateur

Inscription: Sam 03 Mar 2007, 0:00:00
Messages: 14942
En effet, tu dois avoir raison Sporting, vu le terme hydro et donc du LDR ou de l'antigel, pour éviter le gel l'hiver.
Mais c'est fort étonnant que l'on ne trouve pas de docs concernant ce remplissage (méthode + type de produit)


Haut
 Profil  
 
 Sujet du message: Re: gonflage antihachis
MessagePostĂ©: Lun 05 Avr 2010, 11:12:32 
Hors ligne
Nouveau
Nouveau
Avatar de l’utilisateur

Inscription: Dim 21 Déc 2008, 13:28:32
Messages: 6
Localisation: Sand (25 km au sud de Strasbourg)
sporting a écrit:
bonjour pour ceux qui serait interessés pour faire regonfler leurs systeme antihachis , voila une adresse , c est le seul garage qui possede l outil dans la région de nancy , ça m as couté 30 euros et la difference ce sent tout de suite , meme le concessionnaire principal ne l as pas !!!
alors c est le garage du 8 mai
29 rue christian moench
54270 essey les nancy
tel 0383295897
si je n ai pas posté au bon endroit désolé les modos bonne journée a tous


Salut les amis
Voici une autre adresse d'un garagiste qui possede encore l'outil et qui sait s'en servir, c'est le garage Oberle à Gerstheim 67150 4 rue de Daubensand tel 03 88 98 30 11 dans le Bas Rhin près d'Erstein
Le chef est compétant, travail avec le sourire et en plus, il m'a demandé que 10 € pour le regonflage :razz: La contre partie, faudra attendre un peu car l'agenda de ce monsieur est bien plein

_________________
205 gr 1987 beige 220000 km
205 grd 1988 blanche 280000 km
605 srd 1992 blanche 400000 km, donneuse d'organe, elle a mérité sa retraite
605 srdt 1992 grise 290000 km
605 V6 24 S PRV bleu nuit 130000 km, donneuse d'organe parce que bas moteur explosé
Non, je ne suis pas un garagiste malgré les apparences, juste un bricoleur averti


Haut
 Profil  
 
 Sujet du message: Re: Silent-bloc hydroĂ©lastique
MessagePostĂ©: Mer 14 Juil 2010, 13:49:28 
Hors ligne
Nouveau
Nouveau
Avatar de l’utilisateur

Inscription: Sam 10 Juil 2010, 14:13:22
Messages: 16
Localisation: vaucluse
Roule en: 605 TD 2.1l
salut tout le monde
j'ai essayé de les gonflé moi même
et je croie bien que les coussinet sont crevé
quelqu'un a déjà changé les coussinet soit même je ne voie pas comment faire pour les démonté
c'est grave si on roule avec les cousiné a plat et que risque ton ?

merci d'avance

_________________
605svdt 2.1l 12v année 1992 306000km


Haut
 Profil  
 
 Sujet du message: Re: Silent-bloc hydroĂ©lastique (anti-hachis) 2.1TD phase 1
MessagePostĂ©: Mar 12 Oct 2010, 19:57:57 
Hors ligne
Spécialiste
Spécialiste
Avatar de l’utilisateur

Inscription: Lun 19 Mar 2007, 0:00:00
Messages: 2444
Localisation: 4 ème à droite c'est là !
C'est bien du LDR qu'il faut mettre.

Il suffit de remonter la moteur à la bonne hauteur guidé par les cales ad hoc.

Bien évidemment il faut un compresseur pour ne serait-ce que relever le poids du moteur.

Il peut toutefois y avoir des "vessies" percées auquel cas seul le changement permettra de retrouver le comportement d'origine.

le système une fois en état améliore sacrement le comportement de la voiture, plus de résonances, plus de vibrations et niveau sonore bien moindre dans l'habitacle.

_________________
605 2.5 SVDT 99
205 XAD 88
205 XAD 89
205 GRIFFE 91
205 CTI 86
205 GTI 84
1200 R 07


Haut
 Profil  
 
 Sujet du message: Re: Silent-bloc hydroĂ©lastique (anti-hachis) 2.1TD phase 1
MessagePostĂ©: Lun 31 Jan 2022, 22:17:20 
Hors ligne
Régulier
Régulier
Avatar de l’utilisateur

Inscription: Dim 21 Juin 2020, 23:41:40
Messages: 106
Roule en: 605 TD 2.1l
Hi. I have read whole topic and because I used google translate, I can't define should I use antifreeze liquid (like one for the engine) or simply water. I would also please someone to make me little better explain in English if its that possible. Also, is there a point to do this if my gearbox mount is over used and leaking a little? Thanks in advance

_________________
Peugeot 605 phase 1 2.1 svdt 110HP


Haut
 Profil  
 
 Sujet du message: Re: Silent-bloc hydroĂ©lastique (anti-hachis) 2.1TD phase 1
MessagePostĂ©: Jeu 03 FĂ©v 2022, 13:27:15 
Hors ligne
Régulier
Régulier
Avatar de l’utilisateur

Inscription: Ven 30 Mar 2007, 23:00:00
Messages: 472
Localisation: 21
hello Skojevac,
it's antifreeze liquid (LDR = Liquide De Refroidissement in french).
So, i don't know this system and my english is bad :???:

_________________
Jeff
Mercedes W205 C200 100000 km
407 Exécutive 163cv 2006 200000 km : vendue joint culasse HS
605 SRti 145CV avril 1993 2285000 km Vert sorento M4RM. A la casse...snif...
605 SRi 130CV nov.1989 287500 km Rouge alhambra (M4JF),A la casse...snif...moteur HS
505 GTI 130CV déc.1985 ph.II 299000 km : vendue !


Haut
 Profil  
 
 Sujet du message: Re: Silent-bloc hydroĂ©lastique (anti-hachis) 2.1TD phase 1
MessagePostĂ©: Sam 05 FĂ©v 2022, 17:47:48 
Hors ligne
Régulier
Régulier
Avatar de l’utilisateur

Inscription: Dim 21 Juin 2020, 23:41:40
Messages: 106
Roule en: 605 TD 2.1l
Jeff a écrit:
hello Skojevac,
it's antifreeze liquid (LDR = Liquide De Refroidissement in french).
So, i don't know this system and my english is bad :???:


Oh so I got it. Thank you very much Jeff. Do you know how much difference it will make if I delete this system and put basic shock absorbers?

_________________
Peugeot 605 phase 1 2.1 svdt 110HP


Haut
 Profil  
 
 Sujet du message: Re: Silent-bloc hydroĂ©lastique (anti-hachis) 2.1TD phase 1
MessagePostĂ©: Dim 06 FĂ©v 2022, 16:09:43 
Hors ligne
Régulier
Régulier
Avatar de l’utilisateur

Inscription: Ven 30 Mar 2007, 23:00:00
Messages: 472
Localisation: 21
Hello,
i dont know but i'm looking for in technical review.
Do you know ? :https://www.youtube.com/watch?v=k-Eok44WIzQ&list=PLDCQiQknCdPkeu-5XRubGv5UjmykaMLF1
anti-hachis at 15:40

_________________
Jeff
Mercedes W205 C200 100000 km
407 Exécutive 163cv 2006 200000 km : vendue joint culasse HS
605 SRti 145CV avril 1993 2285000 km Vert sorento M4RM. A la casse...snif...
605 SRi 130CV nov.1989 287500 km Rouge alhambra (M4JF),A la casse...snif...moteur HS
505 GTI 130CV déc.1985 ph.II 299000 km : vendue !


Haut
 Profil  
 
Afficher les messages postĂ©s depuis:  Trier par  
Poster un nouveau sujet RĂ©pondre au sujet  [ 23 messages ]  Aller Ă  la page 1, 2  Suivante

Heures au format UTC + 1 heure


Qui est en ligne

Utilisateurs parcourant ce forum: Aucun utilisateur enregistré et 0 invités


Vous ne pouvez pas poster de nouveaux sujets
Vous ne pouvez pas répondre aux sujets
Vous ne pouvez pas éditer vos messages
Vous ne pouvez pas supprimer vos messages
Vous ne pouvez pas joindre des fichiers

Rechercher:
Aller Ă :  


Tous les messages postés sur ce forum sont sous la responsabilité des inscrits qui les ont écrits,
non du webmaster-administrateur ou des modérateurs-organisateurs, à l'exception de leurs propres messages.

Réalisé par : Franck - Copie même partielle interdite ©

Powered by phpBB © 2023